产品概述:
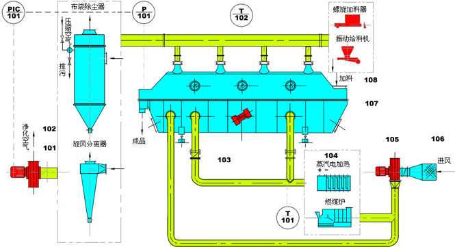
ZLG(原GZQ)振动流化床干燥机,广泛适用于化工、轻工、医药、食品、塑料、粮油、矿渣、制盐、糖等行业的粉料、颗粒状物料的干燥、冷却、增湿等作业。作为干燥设备使用时,设备可同时具备干燥和冷却功能,产品可直接包装。大型设备一般采用分体式,以便尽可能减少参振质量,降低能耗。

设备特点:
◆振动源是采用振动电机驱动,运转平稳,维修方便,噪音低,寿命长。
◆流态化匀称,无死床和吹穿现象,可以获得均匀的干燥,冷却制品。
◆可调性好,适应面宽。料层厚度和物料在机内移动速度以及全振幅均匀可实现无级调节。
◆对物料表面的损伤小,可用于易碎物料的干燥;物料颗粒不规则时亦不影响工作效果。
◆采用全封闭式的结构,有效地防止了物料与空气间空叉感染作业环境清洁。
◆机械效率与热效率高,节能效果好,比一般干燥装置可节能30~40%
应用范围:


技术参数:
|
型号
|
A
|
B
|
C
|
D
|
E
|
F
|
重量
|
|
ZLG3-30
|
3000
|
300
|
1350
|
900
|
430
|
1650
|
1250
|
|
ZLG3-45
|
4500
|
300
|
1350
|
900
|
430
|
1650
|
1560
|
|
ZLG4-40
|
4000
|
400
|
1500
|
900
|
430
|
1700
|
1350
|
|
ZLG4.5-45
|
4500
|
450
|
1550
|
950
|
430
|
1700
|
1670
|
|
ZLG6-45
|
4500
|
600
|
1650
|
950
|
430
|
1700
|
1910
|
|
ZLG4.5-60
|
6000
|
450
|
1650
|
950
|
430
|
1700
|
2100
|
|
ZLG6-60
|
6000
|
600
|
1700
|
1000
|
600
|
1700
|
2410
|
|
ZLG7.5-60
|
6000
|
750
|
1850
|
1000
|
600
|
1850
|
2340
|
|
ZLG9-60
|
6000
|
900
|
2000
|
1000
|
600
|
1850
|
3160
|
|
ZLG6-75
|
7500
|
600
|
1850
|
1000
|
600
|
1850
|
3200
|
|
ZLG7.5-75
|
7500
|
750
|
2000
|
1000
|
600
|
1850
|
3600
|
|
ZLG9-75
|
7500
|
900
|
2100
|
1000
|
600
|
1850
|
4140
|
|
ZLG12-75
|
7500
|
1200
|
2500
|
1150
|
800
|
2050
|
5190
|
|
ZLG15-75
|
7500
|
1200
|
2800
|
1250
|
900
|
2250
|
6500
|
|
ZLG18-80
|
8000
|
1800
|
3250
|
1500
|
1000
|
2500
|
8600
|
|
型号
|
流化床面积
|
进风温度
|
出风温度
|
蒸发水份能力
|
振动电机
|
|
|
型号
|
功率
|
|||||
|
ZLG3-30
|
0.9
|
70-140
|
40-70
|
20-35
|
ZDS31-6
|
0.75×2
|
|
ZLG3-45
|
1.35
|
70-140
|
40-70
|
35-50
|
ZDS31-6
|
0.75×2
|
|
ZLG4-40
|
1.6
|
70-140
|
40-70
|
40-60
|
ZDS31-6
|
0.75×2
|
|
ZLG4.5-45
|
2.025
|
70-140
|
40-70
|
50-70
|
ZDS32-6
|
1.1×2
|
|
ZLG6-45
|
2.7
|
70-140
|
40-70
|
70-90
|
ZDS32-6
|
1.1×2
|
|
ZLG4.5-60
|
2.7
|
70-140
|
40-70
|
80-100
|
ZDS41-6
|
1.5×2
|
|
ZLG6-60
|
3.6
|
70-140
|
40-70
|
100-130
|
ZDS41-6
|
1.5×2
|
|
ZLG7.5-60
|
4.5
|
70-140
|
40-70
|
120-140
|
ZDS42-6
|
2.2×2
|
|
ZLG9-60
|
5.4
|
70-140
|
40-70
|
140-170
|
ZDS42-6
|
2.2×2
|
|
ZLG6-75
|
4.5
|
70-140
|
40-70
|
130-150
|
ZDS42-6
|
2.2×2
|
|
ZLG7.5-75
|
5.625
|
70-140
|
40-70
|
150-180
|
ZDS51-6
|
3.0×2
|
|
ZLG9-75
|
6.75
|
70-140
|
40-70
|
160-210
|
ZDS51-6
|
3.0×2
|
|
ZLG12-75
|
9
|
70-140
|
40-70
|
200-260
|
ZDS51-6
|
3.0×2
|
|
ZLG15-75
|
11.25
|
70-140
|
40-70
|
250-325
|
ZDS51-6
|
4.0×2
|
|
ZLG18-80
|
14.4
|
70-140
|
40-70
|
320-420
|
ZDS51-6
|
5.5×2
|
本公司制造的设备价格均根据当前材料市场价格产生,请在设备采购阶段询价。
订货时请根据干燥物料的物性,用途、初含水率、温度、干燥量、干燥时间等因素选择合适的振动流化床干燥机。
本公司对设备的特殊要求提供设计、制造与安装调试,如有需要请在订货时说明。
本公司设备对用户实行质量三保,长期提供一切配件,敬请用户放心。






